掃一掃加入微信交流群
與考生自由互動、并且能直接與專業老師進行交流、解答。
關注公眾號
服務時間08:00-24:00
免費課程/題庫
微信掃一掃

1.波長對0.5m的屯磁波,屬于()
A紫外線
B可見光
C紅外線
D.X射線
2.氣、気、爪的三神同位素()
A它們核中的貭子數不同
B它們核中的中子數不同
C它們核外的屯子數不同
D它們核中的質子數和中子數都不同
3.a、b是一條水平縄上相距內I的兩點,一列簡諧橫波沿繩傳播,其波氏等于,當a點經過平衡位置向上運動吋, b點()
A.經過平衡位置向上運動
B.處于平衡位置上方位移大處
C.經過平衡位置向下運動
D.處于平衡位置下方位移大處
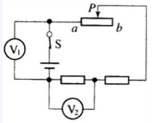
4..在圖1示的電路中,電源的電動勢為E,內阻為r,當變阻器的滑片P向b點移動時,電壓表V7的示數U7和電壓表V1 的示數U2的變化情況是:

A:U7變大,U2變小
B:U7變大,U2變大
C:U7變小,U2變小
D.U7變小,U2變大
5:關于布朗運動,下列說法中正確的是: ( )
A布朗運動本身是分子的運動
B布朗運動間接表明液體分子在不停地做無規則運動
C懸浮的小顆粒越大,撞擊它的分子數越多,布朗運動越劇烈
D.液體的分子越大,布朗運動越劇烈
6.下列兩物質反應后,滴入KSCN溶液顯紅色的是( )。
A.Fe和HCI B-CuSO4和Fe
C.過量CI2和Fe D.稀HNO3和過量Fe
————更多福州成人高考試題題庫高起本———
以上就是2021年福州成人高考高起本《物理》模擬試題(四)的所有內容,福州成人高考專起本試題題庫欄目為廣大考生福州成人高考高中起點升本科歷年真題,成人高考專起本歷年真題下載,成人高考專起本歷年真題答案、成人高考專起本歷年真題解析等相關資訊。
成人高考院校專業指導專屬提升方案
未經授權不得轉載,如需轉載請注明出處。
轉載請注明:文章轉載自 其它本文關鍵詞: 福州成人高考 高起本物理模擬試題
福州成考網申明:
(一)由于各方面情況的調整與變化本網提供的考試信息僅供參考,敬請以教育考試院及院校官方公布的正式信息為準。
(二)本網注明信息來源為其他媒體的稿件均為轉載體,免費轉載出于非商業性學習目的,版權歸原作者所有。如有內容與版權問題等請與本站聯系。聯系方式:郵件429504262@qq.com