掃一掃加入微信交流群
與考生自由互動、并且能直接與專業老師進行交流、解答。
關注公眾號
服務時間08:00-24:00
免費課程/題庫
微信掃一掃

[單選題]下列各組氣體,可以用同一種裝置制取的是()。
ANO、O2、SO2
BCO2、H2S、CH4
CNH3、CH4、O2
DH2、HCl、NH3
[單選題]下列各組物質中,互為同系物的是()。
A乙烷和2-甲基丁烷
B己烯和丙炔
C甲苯和環己烷
D丙烷和環丙烷
[單選題]下列物質的主要成分是甲烷的是()。
A水煤氣
B天然氣
C高爐煤氣
D裂解氣
[問答題]
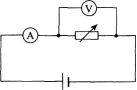
(填空題)如圖所示,一個電阻箱和一個電流表串聯在電路里.電阻箱上并聯著一個電壓表.改變電阻箱的電阻,分別得到“8 V,0.09 A;9 V,0.04 A”的示數.電源的內阻是_________.

————福州成人高考試題題庫高起專———
以上就是2021年福州成人高考高起專《理化綜合》易錯試題一的所有內容,福州成人高考試題題庫高起專欄目為廣大考生提供福州成人高考高中起點升專科歷年真題,成人高考高起專歷年真題下載,成人高考高起專歷年真題答案、成人高考高起專歷年真題解析等相關資訊。
成人高考院校專業指導專屬提升方案
未經授權不得轉載,如需轉載請注明出處。
轉載請注明:文章轉載自 其它本文關鍵詞: 福州成人高考高起專 理化綜合
福州成考網申明:
(一)由于各方面情況的調整與變化本網提供的考試信息僅供參考,敬請以教育考試院及院校官方公布的正式信息為準。
(二)本網注明信息來源為其他媒體的稿件均為轉載體,免費轉載出于非商業性學習目的,版權歸原作者所有。如有內容與版權問題等請與本站聯系。聯系方式:郵件429504262@qq.com
上一篇:2021年福州成人高考高起專《英語》考點習題:閱讀理解
下一篇:2021年福州成人高考高起專《理化綜合》易錯試題二